Instrumentation engineering

Instrumentation

Activities

  • Equipment and Package Plants.

  • Flow Elements Calculation, Control Valves, Safety and Relief Valves.

  • Typical Installations and Assemblies (Hook-ups).

  • Technical Purchasing Specifications and DS’s of instruments, Assembly, Cabling, Control Systems.

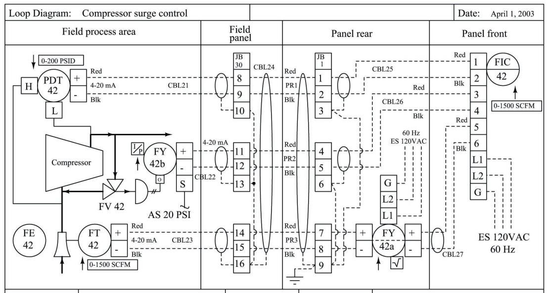
  • Preparation of Interconnection drawings and Sheets.

  • Overall Coordination of the Plant Control Systems.

  • Integration of Package Equipment Suppliers and other Engineering Components.

  • Cable Routing Diagrams, Layout of Equipment in Control Room and Rack, Installation of Instruments and Interconnection Boxes.

  • Assistance to FAT and SAT Tests of Supplies (Control Cabinets, DCS…).
  • Explosion Risk Study and Preparation of Area Classification Drawings.