Engineering area

Process & Safety

The process Department of IOXXXI is in charge of basic and detail engineering

  • Mass and Energy Balance Sheets.

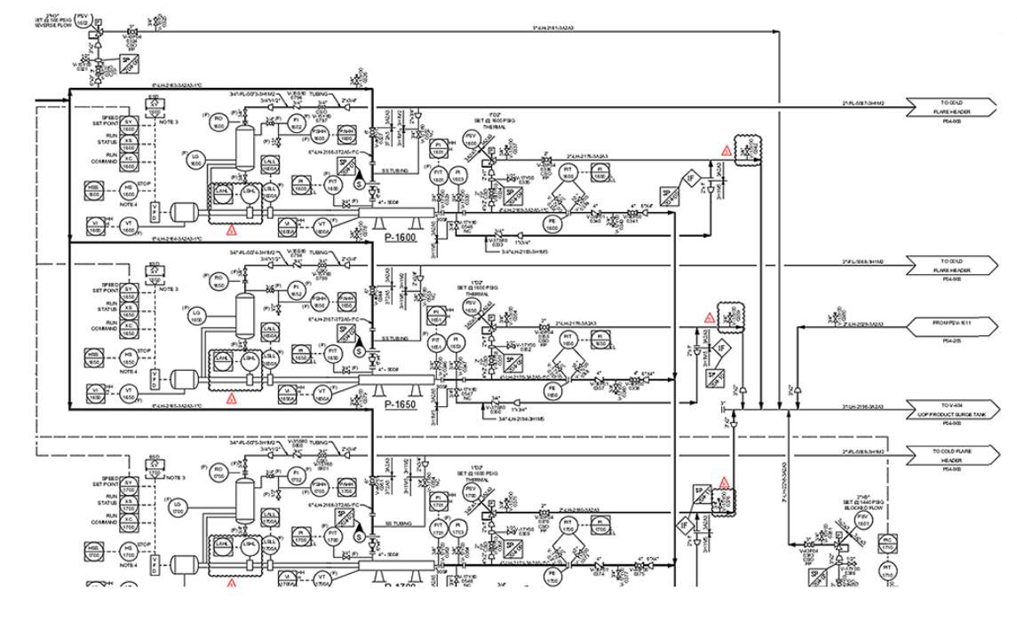
  • PFDs and P&IDs Diagrams.

  • Process Calculations.

  • Line sizing/Line list.

  • Flow Rates, Cross-Sections, Pressure Losses, Equipment and Package. Plants Capacities, Water Hammer, Safety Valves and Thermal Relief.

  • Integration Engineering with other Specialties.

  • HAZOP, HAZID, SIL.

  • Operating Manuals.

  • Functional Test.